kurze Beschreibung
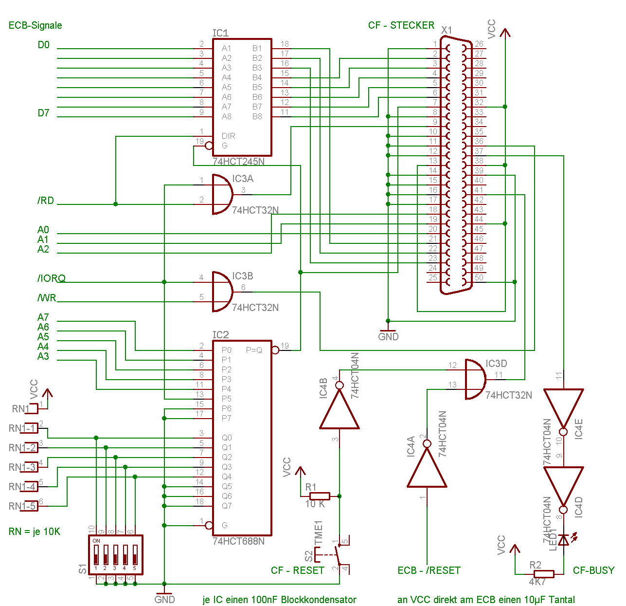
<-| CF-PROF: Schaltbild |->
Bestückungsseite
top
Startseite
nächste Seite
Fragen oder Kommentare an mich