kurze Beschreibung
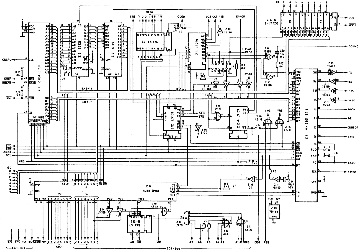
<-| GRIP-1: CPU und Schnittstellen |->
Video und RAM
top
Startseite
nächste Seite
Fragen oder Kommentare an mich