kurze Beschreibung
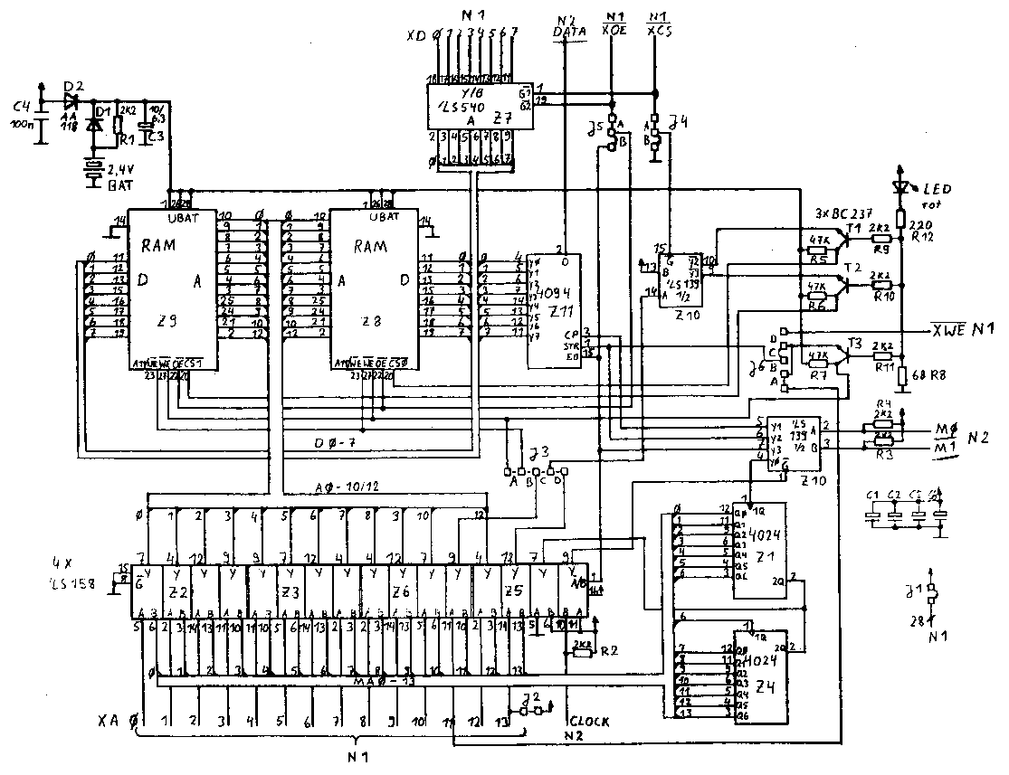
<-| PEPS: Schaltbild|->
downloads
top
Startseite
nächste Seite
Fragen oder Kommentare an mich