Details
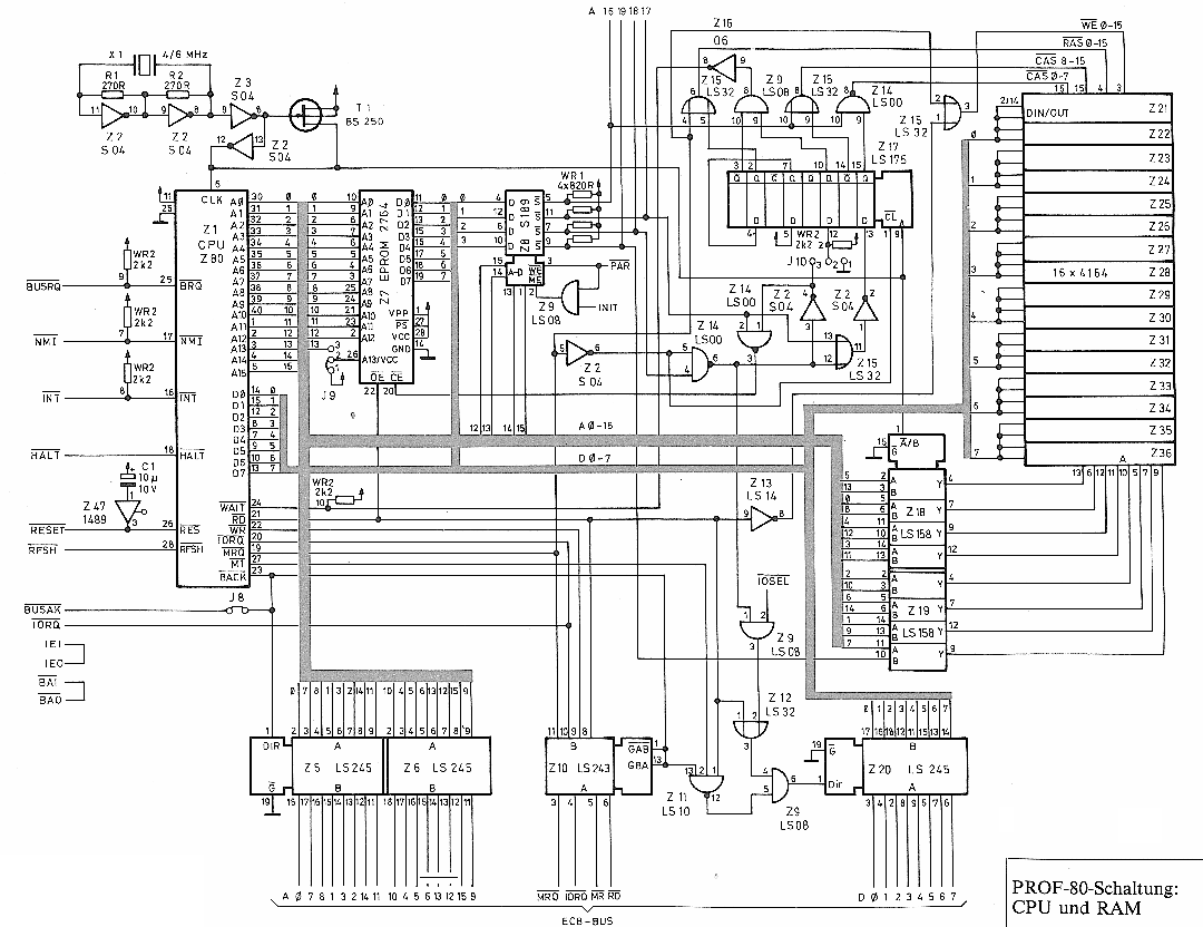
<-| PROF-80: CPU und RAM |->
FLOPPY und IO
top
Startseite
nächste Seite
Fragen oder Kommentare an mich